

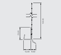
Renderplas PVC 12.5mm board casing bead with integrated 6mm drip and 100mm glass fibre reinforcement mesh. Combination edge bead and drip bead for render carrier boards, cement boards and Aqua Panels
The National Insulation Association
NBS Plus
All thin coat and acrylic rendering applications; external wall insulation systems; timber frame; reveals in exposed facades
Zero chemical reaction with water, sand and cement, acrylic render, water based paint; avoid organic solvents, chlorate bleach, strong acids and alkalis
Creates a seal to the base of a carrier board system and disperses water away from a potentially vulnerable part of the façade
PVC board casing beads with integrated drip and glass fibre reinforcement mesh are simple and fast to apply; carry water away from the base of the system; create a clean aesthetic finish to carrier boards
Recyclable; lower carbon footprint than stainless steel
Class 1Y. Combustible within fire source, self extinguishing upon removal of flame, will not contribute to the combustion of the system
PVC beads are safe to handle removing the dangers of cut metal; suitable for prisons and schools
Ideal for all habitable climates; eliminates cold bridging
Fit for purpose for the lifetime of the render and at least 25 years
Meets equivalent British Standard for metal beads and lath BS EN 13658-2:2016
Ecologically benign; non-hazardous in water; non-hazardous if ingested; does not release substances into the atmosphere
Impact resistant PVC board casing beads with glass fibre reinforcement mesh increase system strength preventing moisture ingress and damage to the base of the board
Not affected by weather and should be specified in all regions of high moisture or high salt
BCD6MESH
Manufactured to ISO 9001; Complies with BS EN 13914-1&2:2016 and BS EN 13658-2:2005; Complies with REACH; mesh complies with ETAG 004
Renderplas
PVC EWI 12.5mm board casing 6mm drip bead with 100mm mesh
Exterior grade impact resistant UV stable unplasticised PVC with resin coated weaved glass fibre reinforcement mesh
12.5mm clip edge; 6mm drip profile; 20mm wing; 100mm glass fibre reinforcement mesh
6mm
7.00
White
2.5m
25 lengths in corrugated box
Cut lengths
292.80
0
UV Stable; any discolouration is uniform over a single facade and within industry standards
Standard industry practice and tools can be used. Cut to length with tin snips. Clip the bead to the end of the board and render as normal
Store vertically out of direct sunlight or extreme temperatures. Can be stored flat if supported along entire length
Ex-stock next day delivery to site through extensive supply chain or direct from www.renderplas.co.uk