

Locally manufactured from recycled plastic, Renderplas PVC movement joint / expansion joint beads are designed for areas of render over 20 square metres and should be specified every 4-6 metres, over structural movement joints and changes of background giving a discreet attractive finish. Also for use as an internal corner with plasterboard
The National Insulation Association
NBS Plus
Horizontally or vertically on all standard rendering applications, external wall insulation systems, timber frame; as a day joint to divide rendered sections; at changes to background material; with plasterboard as a control joint or internal corner
Zero chemical reaction with water, sand and cement, acrylic render, water based paint; avoid organic solvents, chlorate bleach, strong acids and alkalis
Impact resistant; dissipates shock waves; outlasts metal; cleaned in same way as render
PVC beads are a fraction of the price of stainless steel; added value over galvanized steel as PVC beads are guaranteed not to stain or corrode and can reduce installation time. Reduction of impact damage
Locally manufactured; high recycled content; fully recyclable; low Ecopoint score of 0.004/kg delivered
Class 1Y. Combustible within fire source, self extinguishing upon removal of flame, will not contribute to the combustion of the system
PVC beads are safe to handle removing the dangers of cut metal; suitable for prisons and schools
Ideal for all habitable climates; eliminates cold bridging
Fit for purpose for the lifetime of the render and at least 25 years
Flexible plastic membrane gives a certified range of +/- 2.5mm which exceeds British Standard for thermal movement (BS EN 13658-2:2005). Protective tear off strip allows quick removal of render from the joint
Ecologically benign; non-hazardous in water; non-hazardous if ingested; does not release substances into the atmosphere
PVC beads offer sufficient strength for these applications. The chemical bond between flexible and rigid parts prevents separation
Flexible plastic membrane provides a watertight seal. Not affected by weather and should be specified in all regions of high moisture or high salt
MJ4
BBA certified; manufactured to ISO 9001:2000; complies with BS EN 13914-1&2:2016; fire tested to BS 476; fomplies with REACH
Renderplas
4mm PVC Movement Joint Beads (Expansion Joints)
Exterior grade impact resistant UV stable unplasticised PVC
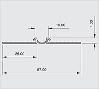
13mm exposed width and 25mm wings each side
4-6mm render depth; 2-3mm plaster depth
6.1
White
2.5m
25 lengths in triwall fibreboard box
Cut lengths
312.80
87.8%
UV stable; any discoloration is uniform over a single facade and within industry standards
Standard industry practice and tools can be used. Large irregularities in the substrate should be dubbed out and allowed to set hard prior to application. Cut to length with tin snips or fine tooth saw. Fixing with a continuous line of adhesive mortar is preferred on blockwork, or alternatively a bed of render. Non-corrosive mechanical fixings can be used as well but are not required. With external wall insulation, non-corrosive fixings alone are sufficient
Store vertically out of direct sunlight or extreme temperatures. Can be stored flat if supported along entire length
Ex-stock next day delivery to site through extensive supply chain or direct from www.renderplas.co.uk